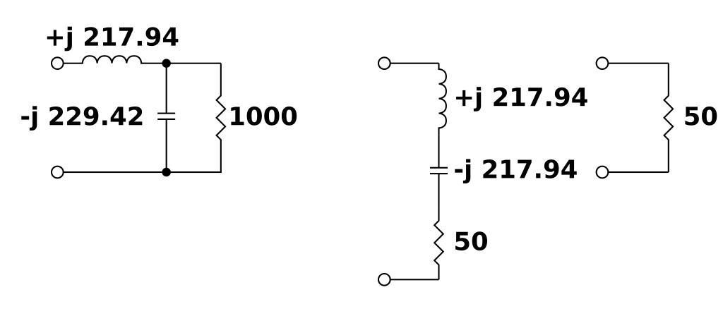
MAKE A MEME View Large Image ATUhowitworks2.svg A diagram explaining how a simple ATU works own based upon File ATUhowitworks2 png 2010-07-19 Ken g6 File ATUhowitworks2 png Antenna diagrams Radio electronic diagrams
View Original:ATUhowitworks2.svg (491x210)
Download: Original    Medium    Small Thumb
Courtesy of:commons.wikimedia.org More Like This
Keywords: ATUhowitworks2.svg A diagram explaining how a simple ATU works own based upon File ATUhowitworks2 png 2010-07-19 Ken g6 File ATUhowitworks2 png Antenna diagrams Radio electronic diagrams
Terms of Use   Search of the Day